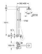
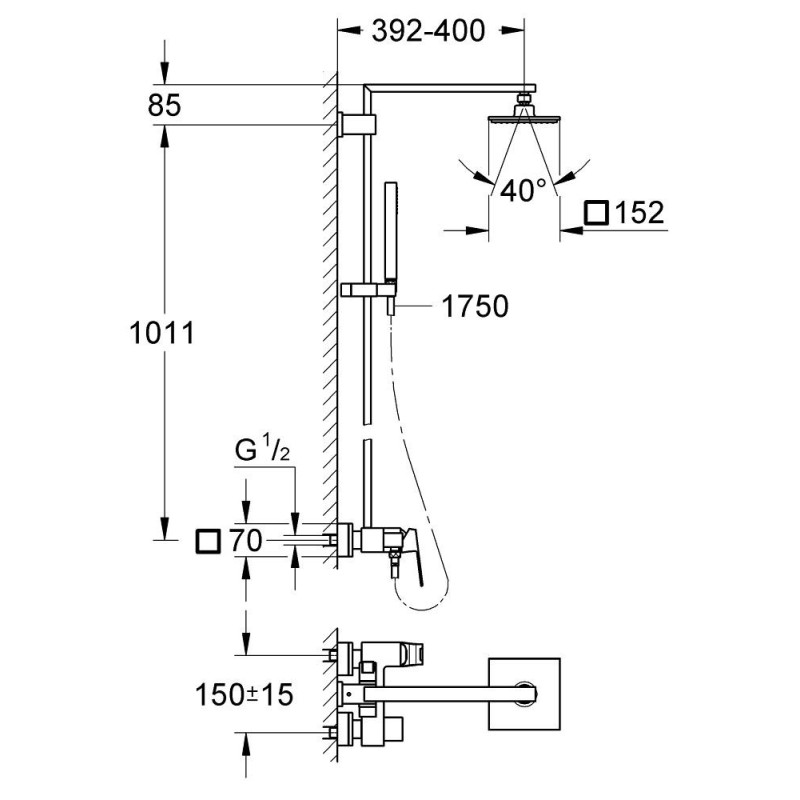
Dušo komplektas Grohe Eurocube System 150 su maišytuvu

Kodas: Grohe 23147000

Dušo komplektas su termostatiniu maišytuvu, Chromuotas, DreamSpray technologija, EcoJoy technologija, SpeedClean technologija

Nemokamas pristatymas
Nuo pirmo euro, be apribojimų
Greitas gavimas
Sandėlyje esančios prekės – per 1 d.
Saugus apmokėjimas
Banku ar pristatymo metu

Dušo komplektas Grohe Eurocube System 150 su termostatiniu maišytuvu. SpeedClean technologija su StarLight chromo apdaila, padės palaikyti švarą bei nesikaups kalkių nuosėdos, todėl dušo komplekto Grohe Eurocube System 150 priežiūra taps itin lengva. Komplektą sudaro stacionari Grohe Euphoria Cube dušo galva, Grohe Euphoria Cube Stick rankinis dušas, termostatinis dušo maišytuvas.

Dušo komplekte Grohe Eurocube System 150, integruota DreamSpray technologija, kuri užtikrina itin tikslų ir nuoseklų vandens pasiskirstymą kiekviename dušo galvutės purkštuke, todėl maudymasis duše tampa itin komfortiškas ir malonus. EcoJoy technologijos pagalba sutaupysite net iki 40% vandens.

Privalumai:

  • Chromuotas
  • DreamSpray technologija
  • Termostatinis maišytuvas
  • SpeedClean technologija
  • EcoJoy technologija
  • Itin paprastas montavimas
  • 5 metų garantija

Dušo komplektas Grohe Eurocube System 150 su maišytuvu

Kilmės šalis Vokietija
Tipas Dušo komplektas
Garantija, mėn 60
Spalva Chromas

Atsiliepimai

0

(0)

Norėdami filtruoti atsiliepimus, pasirinkite žemiau esančią eilutę.

  • 5
    (0)
  • 4
    (0)
  • 3
    (0)
  • 2
    (0)
  • 1
    (0)

Parašyti atsiliepimą